Как применять алюминиевый уголок 30х30?

Новости

 Как применять алюминиевый уголок 30х30? 

2025-05-31

Алюминиевая продукция давно заняла достойное место в строительных и отделочных работах. Среди множества изделий особенно стоит выделить алюминиевый уголок 30х30. Этот универсальный материал используется в различных сферах благодаря таким качествам, как легкость, стойкость к коррозии и простота в обработке. Несмотря на кажущуюся простоту, значение алюминиевый уголок 30х30 сложно переоценить. Он находит применение как в производственных, так и в бытовых потребностях. В этой статье мы рассмотрим, как и где можно эффективно использовать данный продукт, его преимущества и области применения, а также поделимся советами по выбору и уходу.

Преимущества алюминиевого уголка 30х30

Прежде чем углубиться в детали применения, необходимо осознать преимущества алюминиевого уголка 30х30. Легкость материала позволяет использовать его в самых разных конструкциях, не увеличивая массу и не требуя усиленных каркасов. Устойчивость к коррозии делает его идеальным для использования в условиях высокой влажности или агрессивной среды. Также стоит отметить простоту обработки: уголок легко режется и монтируется, что облегчает работу даже начинающим мастерам.

 

Эстетическая привлекательность и разнообразие доступных отделок делают алюминиевый уголок 30х30 подходящим решением для дизайнерских и архитектурных задач. Например, можно выбрать анодированный уголок для создания современных и стильных интерьеров. В сочетании с другими материалами уголки позволяют воплощать самые смелые дизайнерские идеи.

 

Помимо этого, алюминий является экологически чистым материалом, который подлежит переработке, что важно в условиях современных требований к экологической ответственности. Это делает алюминиевый уголок 30х30 не только практичным, но и устойчивым выбором с точки зрения экологии.

 

Применение в строительных работах

Алюминиевые уголки 30х30 находят широкое применение в строительстве благодаря своим полезным свойствам. Их включают в несущие конструкции, такие как каркасы и подвесные потолки. Во время отделочных работ уголок может служить элементом декора или обеспечивать дополнительную защиту углов и соединений. Благодаря легкости материала, использование алюминиевых уголков позволяет значительно снизить нагрузку на несущие элементы строения.

 

Они также широко применяются для создания конструкций, требующих устойчивости к внешним воздействиям, таких как системы вентиляции или фасадные панели. Учитывая, что алюминий не подвергается коррозии, такие решения становятся долговечными и требуют минимального ухода.

 

Работы по монтажу и установке с использованием алюминиевых уголков 30х30 значительно ускоряются за счет простоты и универсальности материала. Например, для соединения панелей или формирования внутренних углов не требуется использование сложных крепежных систем, что позволяет существенно экономить время и ресурсы.

 

 

Интерьерные решения

В современном дизайне интерьеров алюминиевые уголки 30х30 занимают особое место. Благодаря их эстетическим свойствам, данные изделия служат не только техническими, но и декоративными элементами. Они незаменимы при создании четких и аккуратных линий в оформлении потолков, стен и мебели.

 

Использование в интерьеров дает возможность игре с цветом и текстурой: анодированные или окрашенные уголки могут быть использованы для контрастных акцентов или создания единого стиля. Архитекторы и дизайнеры часто прибегают к этому решению для зонирования пространства или подчеркивания отдельных элементов интерьера.

 

Возможность легкой регулировки и сборки конструкций позволяет дизайнерам воплощать уникальные и функциональные проекты, исключая необходимость использования более тяжеловесных и сложных в монтаже материалов.

 

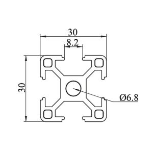
Алюминиевые профили с пазом 8 мм широко применяются в различных отраслях за счет их универсальности и надежности. Эти профили обеспечивают легкость конструкции, прочность и устойчивость к коррозии. Однако, существуют методы и технологии, которые позволяют значительно улучшить их эксплуатационные свойства, сделать их более подходящими для конкретных задач и условий использования. В данной статье мы рассмотрим различные подходы к улучшению свойств таких профилей, а также их влияние на конечную продукцию.

Промышленное использование алюминиевых уголков

В промышленности алюминиевые уголки 30х30 выполняют роль неотъемлемых элементов различных установок и механизмов. Их активно применяют при производстве оборудования, где важны легкость и устойчивость к коррозии. Благодаря этим свойствам, алюминиевые уголки являются предпочтительным материалом для создания рам и каркасов для аппаратов и машин.

 

Часто используются в электротехнической промышленности для крепления и защиты кабелей и оборудования. Благодаря легкости монтажа и обработки, данные уголки активно задействуются в производственных линиях и в изготовлении корпусов станков.

 

Также стоит отметить использование алюминиевых уголков 30х30 в автомобилестроении, где важны параметры легкости и прочности. Они применяются при производстве каркасов, элементов отделки и крепежей, снижая общий вес конструкции и увеличивая срок службы благодаря износостойкости и устойчивости к внешним воздействиям.

 

Советы по выбору и покупке

При выборе алюминиевого уголка 30х30 важно учитывать специфические условия применения. Нужно правильно определить длину и информацию о покрытии материала, которое будет лучше всего соответствовать вашим требованиям. Если предполагается использование в агрессивной среде, будет рационально рассмотреть анодированные или оксидированные варианты.

 

Еще одним важным фактором является качество изготовления. Приобретая продукцию известных производителей, таких как Shandong Lansi Aluminum Technology Co., Ltd, вы гарантированно получаете изделия, отвечающие всем стандартам качества и безопасности. Убедитесь, что у выбранного поставщика есть все необходимые сертификаты и отзывы клиентов.

 

Обратите внимание на условия доставки и хранения продукции. Правильное хранение алюминиевых уголков — гарантия их долговечности. Избегайте длительного воздействия влаги или агрессивных сред без надлежащей защиты.

 

Уход и обслуживание алюминиевых уголков

Уход за алюминиевыми уголками 30х30 не требует больших усилий. Основное внимание стоит уделять чистке и защите от механических повреждений. Для очистки можно использовать мягкие тряпки и специальные моющие средства, которые не царапают поверхность.

 

Избегайте контакта с абразивными поверхностями и химическими реактивами, которые могут повредить защитное покрытие. При явных механических повреждениях стоит обратиться за помощью к квалифицированным специалистам для устранения дефектов и восстановления целостности покрытия.

 

Регулярный визуальный осмотр и профессиональная чистка обеспечат долговечность и сохранение всех эстетических и функциональных характеристик алюминиевого уголка 30х30. Следуя простым рекомендациям, можно значительно продлить срок эксплуатации изделий и их стойкость к внешним факторам.

 

Главная
Продукция
О Нас
Контакты

Пожалуйста, оставьте нам сообщение

Политика конфиденциальности

Спасибо за использование этого сайта (далее — «мы», «нас» или «наш»). Мы уважаем ваши права и интересы на личную информацию, соблюдаем принципы законности, легитимности, необходимости и целостности, а также защищаем вашу информационную безопасность. Эта политика описывает, как мы обрабатываем вашу личную информацию.

1. Сбор информации
Информация, которую вы предоставляете добровольно: например, имя, номер мобильного телефона, адрес электронной почты и т.д., заполнена при регистрации. Автоматически собирается информация, такая как модель устройства, тип браузера, журналы доступа, IP-адрес и т.д., для оптимизации сервиса и безопасности.

2. Использование информации
предоставлять, поддерживать и оптимизировать услуги веб-сайтов;
верификацию счетов, защиту безопасности и предотвращение мошенничества;
Отправляйте необходимую информацию, такую как уведомления о сервисах и обновления политик;
Соблюдайте законы, нормативные акты и соответствующие нормативные требования.

3. Защита и обмен информацией
Мы используем меры безопасности, такие как шифрование и контроль доступа, чтобы защитить вашу информацию и храним её только на минимальный срок, необходимый для выполнения задачи.
Не продавайте и не сдавайте личную информацию третьим лицам без вашего согласия; Делитесь только если:
Получите своё явное разрешение;
третьим лицам, которым доверено предоставлять услуги (с учётом обязательств по конфиденциальности);
Отвечать на юридические запросы или защищать законные интересы.

4. Ваши права
Вы имеете право на доступ, исправление и дополнение вашей личной информации, а также можете подать заявление на аннулирование аккаунта (после отмены информация будет удалена или анонимизирована согласно правилам). Чтобы реализовать свои права, вы можете связаться с нами, используя контактные данные, указанные ниже.

5. Обновления политики
Любые изменения в этой политике будут уведомлены путем публикации на сайте. Ваше дальнейшее использование услуг означает ваше согласие с изменёнными правилами.